Manuales
Gratis
  Manuales
Volkswagen 
  Manuales
Ford 
  Manuales
Nissan 
  Otras
Marcas
 

Manual de mantenimiento y reparaciones Dodge Ram

 
  • Introducción
  • Lubricación y mantenimiento
  • Suspensión
  • Diferencial y sistema de transmisión
  • Frenos
  • Embrague
  • Sistema de refrigeración
  • Batería
  • Sistema de arranque
  • Sistema de carga
  • Sistema de encendido
  • Tablero de tablero de instrumentos
  • Sistemas de audio
  • Sistemas de claxon
  • Sistema de control de velocidad
  • Sistemas de señales de giro y advertencia del sistema
  • Sistemas de limpiadores y lavadores
  • Luces
  • Sistemas de sujeción pasiva
  • Sistemas térmicos eléctricos
  • Sistema de distribución de tensión
  • Sistema de cerraduras automáticas
  • Sístema de seguridad antirrobo del vehículo
  • Sistemas de asientos servoasistidos
  • Sistema de elevalunas eléctrico
  • Sistema de espejos eléctricos
  • Sistemas de advertencia de timbre/zumbador
  • Sistemas de consola de techo
  • Diagramas De Cableado
  • Motor
  • Sistema de escape y turboalimentador
  • Sistema de escape y tubo múltiple de admisión
  • Bastidor y parachoques
  • Sistema de combustible
  • Dirección
  • Transmisión y caja de cambios
  • Transmisión automática
  • Neumáticos y llantas
  • Carrocería
  • Calefacción y aire acondicionado
  • Sistemas de control de emisiones

 

Manual de mantenimiento y reparaciones Dodge Ram

Sección aplicable para Dodge Ram 1500, 2500, 3500

Esta es solo una pequeña lección de ejemplo, para adquirir el manual completo te recomendamos comprar el Manual de Reparaciones Dodge Ram

Clutch - Embrague

DESCRIPCIÓN Y FUNCIONAMIENTO

DESCRIPCIÓN

El mecanismo del clutch e está compuesto por un volante, un disco único de tipo seco y una tapa de embrague con estilo de diafragma (Fig. 1). Una articulación hidráulica hace funcionar el cojinete y la horquilla de desembrague. El volante está empernado
en la pestaña trasera del cigüeñal. La placa de presión de clutch está empernada en el volante con el disco de embrague situado entre estos dos componentes. El sistema de embrague permite la articulación mecánica, aunque fácilmente desconectable,
entre el motor y la transmisión. El diseño de este sistema asegura que toda la rotación del motor se transfiera a la transmisión, en tanto que aísla la transmisión de los pulsos de encendido del motor a fin de reducir a un mínimo los problemas como el traqueteo de engranajes.

FUNCIONAMIENTO

El clutch funciona por acción de palanca, fuerza de fijación y fricción. El disco actúa a modo de elemento de fricción y un muelle de diafragma y placa de presión proporcionan la fuerza de fijación. El pedal de clutch, la articulación hidráulica y la palanca y cojinete de desembrague proporcionan la acción de palanca.

El vástago de pistón del cilindro maestro se conecta al pedal del cluth. Cuando éste se oprime, el cilindro maestro de embrague montado en el salpicadero hace funcionar el cilindro hidráulico. La horquilla de desembrague se acciona mediante el cilindro hidráulico montado en la caja de transmisión. Una horquilla de desembrague, que pivotea sobre un perno de rótula montado en la caja de transmisión, hace funcionar el cojinete de desembrague. Este oprime las garras de muelle de la placa de presión que, como consecuencia, producen presión sobre el disco de embrague y permiten que el cigüeñal del motor gire independientemente del eje impulsor de la transmisión (Fig. 2).

Fig. 2 Funcionamiento del embrague

  1. VOLANTE
  2. GARRAS DE LA PLACA DE PRESIÓN
  3. PUNTO DE PIVOTE
  4. PRESIÓN SOBRE EL COJINETE DE DESEMBRAGUE
  5. DISCO EMBRAGADO
  6. DISCO EMBRAGADO
  7. COJINETE DE DESEMBRAGUE

VOLANTE

DESCRIPCIÓN

El volante (Fig. 3) es una placa pesada empernada a la parte trasera del cigüeñal. El volante tiene integrada una corona que rodea la circunferencia externa y engrana con el motor de arranque para proporcionar el arranque del motor. La cara trasera del volante sirve como miembro impulsor del disco de embrague.

FUNCIONAMIENTO

El volante sirve para amortiguar los pulsos de encendido del motor. Su peso pesado respecto de la masa giratoria de los componentes del motor sirve para estabilizar el flujo de potencia al resto del mecanismo de transmisión. El cigüeñal tiene tendencia a acelerarse y desacelerarse en respuesta a los pulsos de encendido del cilindro. El volante amortigua estos impulsos absorbiendo energía cuando el cigüeñal se acelera y devolviendo esa energía al sistema cuando el cigüeñal se desacelera.

DISCO DEL EMBRAGUE

DESCRIPCIÓN

El material de fricción del disco de embrague está remachado a la maza del disco (Fig. 4). El hueco de la maza está acanalado para instalarse sobre el eje impulsor de la transmisión. El disco de embrague tiene muelles amortiguadores en la maza para moderar las vibraciones que se producen al embragar y desembragar.

FUNCIONAMIENTO

El disco de embrague se mantiene en la superficie del volante mediante la fuerza que ejerce el muelle de diafragma de la placa de presión. El material de fricción del disco de embrague transfiere el esfuerzo de rotación del motor desde el volante y la placa de presión al eje impulsor de la transmisión.

PLACA DE PRESION DEL EMBRAGUE

DESCRIPCIÓN

El conjunto de placa de presión del embrague es un tipo de diafragma con un muelle de una pieza y múltiples garras de desembrague (Fig. 5). Las garras de desembrague de la placa de presión, que vienen ajustadas de fábrica, no pueden volver a ajustarse. El conjunto también contiene la tapa, la placa de presión y los componentes de apoyo.

Fig. 5 Placa de presión del embrague-característica

  1. TAPA
  2. GARRAS DE DESEMBRAGUE
  3. PLACA DE PRESIÓN

FUNCIONAMIENTO

El conjunto de placa de presión del embrague fija el disco de embrague contra el volante. Cuando se oprime el cojinete de desembrague mediante la horquilla de cambio, disminuye la presión ejercida sobre el disco de embrague por el muelle de la placa de presión. A medida que se aplica mayor fuerza, el cojinete presiona las garras del muelle del diafragma hacia adentro sobre los componentes de apoyo. Esta acción desplaza hacia atrás la placa de presión aliviando la fuerza de fijación sobre el disco. El disco de embrague se desacopla y rota libre en este punto.

Esta es solo una pequeña lección de ejemplo, para adquirir el manual completo te recomendamos comprar el Manual de Reparaciones Dodge Ram 

COJINETE DE DESEMBRAGUE

DESCRIPCION

Un cojinete de desembrague convencional (Fig. 6) se emplea para embragar y desembragar el conjunto de placa de presión del embrague. El cojinete de desembrague está instalado en el retenedor de cojinete delantero de la transmisión. Se fija a la horquilla de desembrague que pone al cojinete en contacto con el muelle del diafragma de la tapa de embrague.

FUNCIONAMIENTO

La horquilla de desembrague en la cubierta de embrague hace funcionar el cojinete de desembrague. La fuerza del cilindro hidráulico hace que la palanca de desembrague desplace el cojinete de desembrague poniéndolo en contacto con el muelle del diafragma. A medida que se aplica mayor fuerza, el cojinete presiona las garras del muelle del diafragma hacia adentro sobre los componentes de apoyo. Esta acción desplaza hacia atrás la placa de presión aliviando la fuerza de fijación sobre el disco. Al disminuir la presión del pedal, disminuye también la presión hidráulica del embrague. El cojinete de desembrague entonces se aleja del muelle del diafragma que permite que la placa de presión ejerza fuerza de fijación sobre el disco de embrague.

ARTICULACIÓN HIDRÁULICA DEL EMBRAGUE

DESCRIPCIÓN

La articulación hidráulica del embrague está compuesta de un cilindro maestro de embrague, un depósito, un cilindro hidráulico de embrague y un tubo de interconexión de líquido.

El vástago de pistón del cilindro maestro se conecta al pedal del embrague. El vástago de pistón del cilindro hidráulico está conectado a la horquilla de desembrague. El cilindro maestro está montado en el salpicadero del lado del conductor, junto al conjunto de cilindro maestro y reforzador de frenos.

El servicio de la articulación hidráulica sólo se realiza como conjunto. Los componentes individuales que forman parte del conjunto de la articulación no pueden repararse ni recibir servicio por separado.

FUNCIONAMIENTO

La articulación del embrague acciona el embrague por medio de presión hidráulica. Cuando se pisa el pedal de embrague, se produce presión de líquido en el cilindro maestro del embrague. Esta presión se transmite al cilindro hidráulico a través de un conducto de conexión. A su vez, el cilindro hidráulico acciona la palanca de desembrague.

El cilindro hidráulico tiene un muelle integrado que precarga al cojinete de desembrague contra las garras del diafragma del embrague para mantener un juego de valor cero.

La fuerza del cilindro hidráulico hace que la palanca de desembrague desplace el cojinete de desembrague poniéndolo en contacto con el muelle del diafragma. A medida que se aplica mayor fuerza, el cojinete presiona las garras del muelle del diafragma hacia adentro sobre los componentes de apoyo. Esta acción desplaza hacia atrás la placa de presión aliviando la fuerza de fijación sobre el disco.

APLICACION DEL DISCO DEL EMBRAGUE

DESCRIPCIÓN

Para las diferentes combinaciones de transmisión del motor se emplean embragues de distintos tamaños y diseños. A continuación se indican los embragues empleados actualmente:
Un disco de embrague de 281 mm (11 pulg.) de diámetro se emplea en los motores de gasolina 3.9L, 5.2L ó 5.9L (Fig. 8) y (Fig. 9).

Un disco de embrague de 312,5 mm (12,3 pulg.) de diámetro se emplea en los motores diesel y V10, y (Fig. 10).

Todos los discos tienen muelles amortiguadores en la maza. Los discos de 281 mm (11 pulg.) tienen cuatro muelles; el disco de 312,5 mm (12,3 pulg.) de los motores diesel y V10 tiene nueve muelles. Los muelles amortiguadores permiten que se transfiera un esfuerzo de rotación y un embragado del disco más suaves.

FUNCIONAMIENTO

Los distintos tamaños y diseños de los embragues sirven para ajustar con precisión la firmeza en la aplicación del embrague para cada combinación del mecanismo de transmisión. Las variables que importan en la elección de un embrague para una combinación determinada incluyen el esfuerzo de rotación del motor y su potencia, el peso del vehículo y el uso a que se destina (vehículo con remolque o sin remolque).

APLICACIÓN DE LA TAPA DE EMBRAGUE

DESCRIPCIÓN

Para las distintas combinaciones de motor y transmisión se emplean tapas de embrague de diferentes tamaños y diseños. A continuación se enumeran las tapas de embrague y las aplicaciones que se usan actualmente.

Para todas las aplicaciones se emplean dos tapas de embrague. La tapa de 281 mm (11 pulg.) (Fig. 11)

La tapa de 312,5 mm (12,3 pulg.) (Fig. 12) se emplea en las aplicaciones de los motores 5.9L diesel y de gasolina V10.

FUNCIONAMIENTO

Se utilizan tapas de embrague de diferentes tamaños y diseños para ajustar con precisión la firmeza en la aplicación del embrague para cada combinación del mecanismo de transmisión. Las variables que importan para seleccionar una tapa de embrague destinada a una combinación determinada incluyen el esfuerzo de rotación del motor y su potencia, el peso del vehículo
y el uso al que se destina (vehículo con remolque o sin remolque).

CONMUTADOR DE POSICION DEL PEDAL DE FRENO (INTERBLOQUEO)

DESCRIPCIÓN

El conmutador de posición del pedal de freno (interbloqueo) está en el circuito del relé del motor de arranque; se instala en el vástago de pistón del cilindro maestro del embrague (Fig. 13). El conmutador se acciona por el movimiento del pedal de freno.

FUNCIONAMIENTO

Este conmutador, que se encuentra en circuito con el solenoide del motor de arranque, necesita que el pedal del freno esté completamente oprimido para poner en marcha el motor. La sección 8W en el grupo 8 suministra información sobre los circuitos y funcionamiento de los conmutadores.

El conmutador de posición está integrado al vástago de pistón del cilindro maestro del embrague y no se repara por separado.

DIAGNOSIS Y COMPROBACION

PRECAUCIONES DE SEGURIDAD

ADVERTENCIA: TENGA CUIDADO CUANDO REPARE LOS COMPONENTES DEL EMBRAGUE. LOS DISCOS DE EMBRAGUE INSTALADOS EN FABRICA NO CONTIENEN FIBRAS DE AMIANTO. LOS COMPONENTES ADQUIRIDOS POSTERIORMENTE EN EL MERCADO PUEDEN CONTENER POLVO Y SUCIEDAD CON FIBRAS DE AMIANTO. AL RESPIRAR GRANDES CONCENTRACIONES DE ESTAS FIBRAS SE PUEDEN SUFRIR DAÑOS GRAVES DE SALUD. UTILICE UN RESPIRADOR CUANDO REPARE EL EMBRAGUE Y NUNCA LIMPIE SUS COMPONENTES CON AIRE COMPRIMIDO NI CON UNA ESCOBILLA EN SECO. LIMPIE LOS COMPONENTES CON TRAPOS HUMEDECIDOS EN AGUA O UTILICE UNA ASPIRADORA ESPECIALMENTE DISEÑADA PARA ASPIRAR POLVILLO Y FIBRAS DE AMIANTO. NO LEVANTE POLVO LIJANDO UN DISCO DE EMBRAGUE. REEMPLACE EL DISCO SI EL MATERIAL DE FRICCION ESTA DAÑADO O TIENE IMPUREZAS. ELIMINE TODO EL POLVO Y LAS IMPUREZAS QUE CONTENGAN FIBRAS DE AMIANTO EN BOLSAS O RECIPIENTES CERRADOS HERMETICAMENTE. DE ESTE MODO REDUCIRA AL MINIMO LA EXPOSICION TANTO PERSONAL COMO DE TERCEROS. SIGA TODAS LAS PRACTICAS DE SEGURIDAD RECOMENDADAS QUE SEÑALA LA ADMINISTRACION DE SEGURIDAD Y SALUD LABORAL (OSHA) Y EL DEPARTAMENTO DE PROTECCION AMBIENTAL (EPA) PARA EL MANEJO Y LA ELIMINACION DE LOS PRODUCTOS QUE CONTENGAN AMIANTO.

METODOS DE INSTALACION Y USO DE LAS PIEZAS

La deformación de los componentes del embrague en la instalación y el uso de componentes no convencionales son las causas comunes del funcionamiento incorrecto del embrague.

La tapa de embrague puede desformarse si sus pernos se aprietan de forma incorrecta. El resultado normal es el embrague brusco, la vibración y el desgaste prematuro. Apriete los pernos de la tapa como se describe en la sección Desmontaje e instalación.

Un volante y/o cubierta de embrague asentados incorrectamente son otras de las causas del fallo del embrague. El asiento incorrecto produce la falta de alineación y otros problemas del embrague.

El uso de piezas no convencionales o de baja calidad también traerán problemas y desgastes. Para evitar inconvenientes, utilice las piezas de fábrica recomendadas.

Otra de las causas del ruido y la resistencia del embrague, los cambios duros y el desgaste prematuro del cojinete es la presencia de un cojinete de guía desalineado. Siempre utilice una herramienta de alineación para instalar el cojinete nuevo. Esta práctica evitará desalinear el cojinete durante la instalación.

Esta es solo una pequeña lección de ejemplo, para adquirir el manual completo te recomendamos comprar el Manual de Reparaciones Dodge Ram 

INFORMACIÓN DE DIAGNOSTICO DE EMBRAGUE

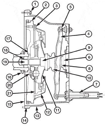
A menos que la causa de un problema en el embrague resulte evidente, para la diagnosis precisa del problema será necesario hacer una prueba de carretera a fin de confirmar el desperfecto. A continuación se requerirá una inspección de los componentes (Fig. 14) para determinar la causa verdadera.

Durante la prueba de carretera, conduzca el vehículo a velocidades normales. Coloque la transmisión en todas las velocidades y observe cómo reacciona el embrague. Si se experimenta vibración, brusquedad, deslizamiento o un desembrague que no es adecuado, retire y revise los componentes del embrague. Sin embargo, si el problema es por ruido o cambios duros, será necesario realizar una diagnosis más profunda, ya que es posible que la transmisión u otros componentes del sistema de transmisión tengan un fallo. Una observación exhaustiva durante la prueba ayudará a descubrir el lugar del problema.

SUCIEDAD DEL EMBRAGUE

La suciedad provocada por líquidos es una causa frecuente del funcionamiento incorrecto del embrague. La presencia de aceite, agua o líquido de embrague en las superficies del disco y la placa de presión provocarán vibración, deslizamiento y brusquedad del embrague.

Cuando realice la inspección, observe si los componentes están sucios con salpicaduras de aceite, líquido hidráulico, agua o impurezas de la carretera.

La presencia de aceite indica una fuga ya sea en la junta trasera principal o en el eje impulsor de la transmisión. Las fugas de aceite producen un residuo en el interior de la cubierta y en la tapa y volante de embrague. La acumulación de calor, como consecuencia de deslizamientos entre la tapa, el disco y el volante, puede con frecuencia quemar los residuos de aceite sobre los componentes. El color del residuo de aspecto vidriado puede variar del ámbar al negro. Las salpicaduras de la carretera provocan el ingreso de impurezas y agua a la cubierta de embrague producto de pernos flojos, cuarteaduras de la cubierta o aberturas de los tubos hidráulicos. Cuando se conduce por charcos de agua profundos, el agua o las salpicaduras de la carretera pueden ingresar a la cubierta a través de estas aberturas. Generalmente, las fugas de líquido de embrague provienen de las juntas dañadas del vástago de pistón del cilindro hidráulico. Este tipo de fuga puede sólo confirmarse mediante una inspección visual.

Fig. 14 Componentes del embrague e inspección

  1. Verifique si los pernos de la cubierta de embrague están flojos. De ser así, apriételos. Asegúrese de que la cubierta esté perfectamente asentada sobre el bloque del motor.
  2. Verifique el volante. Arene la cara para quitar el vidriado. Limpie la superficie con cera y removedor de grasa. Reemplace el volante si está seriamente rayado, gastado o cuarteado. Asegure el volante con pernos nuevos (si los retiró). No vuelva a utilizar los pernos usados. Aplique en los pernos sellante de Mopar, Mopar Lock N’Seal.
  3. Apriete los pernos de la tapa de embrague 2 a 3 roscas cada vez, en forma alternada y uniforme (esquema de estrella) con la torsión especificada. De lo contrario, podría deformarse la tapa.
  4. Verifique la horquilla de desembrague. Reemplácela si está doblada o gastada. Asegúrese de que las superficies de contacto del pivote y el cojinete estén lubricadas.
  5. Verifique el pivote de la horquilla de desembrague (en cubierta). Procure que el pivote esté seguro y el extremo esférico esté lubricado.
  6. Si está dañado, el cojinete del eje impulsor de la transmisión hará ruido, vibrará o el desembrague será inadecuado. Verifique si está en buenas condiciones antes de instalar la transmisión.
  7. Verifique el cilindro hidráulico. Reemplácelo si comprueba la existencia de una fuga. Cerciórese de que el cilindro esté bien firme en la cubierta y el pistón del cilindro esté asentado en la horquilla de desembrague.
  8. Si la tapa y el disco de embrague estuvieran cubiertos de aceite, verifique la junta del eje impulsor. Reemplace la junta si está gastada o cortada.
  9. Revise la superficie de deslizamiento del cojinete de desembrague del retén de cojinete delantero de la transmisión. La superficie debe ser lisa, no debe estar mellada ni rayada. Reemplace el retén si fuera necesario. Lubrique la superficie de deslizamiento antes de instalar el cojinete de desembrague.
  10. No reemplace el cojinete de desembrague a menos que realmente tenga un fallo. Reemplace el cojinete sólo si está agarrotado, produce ruidos o está averiado.
  11. Verifique el muelle y las garras de desembrague del diafragma de la tapa de embrague. Reemplace la tapa si el muelle o las garras están doblados, deformados, rotos o cuarteados. No altere el ajuste de fábrica de los muelles ya que podría dificultar el funcionamiento del embrague.
  12. Verifique en qué condiciones está la tapa de embrague. Reemplácela si la superficie de la placa está muy rayada, deformada, desgastada o cuarteada. Procure usar la tapa del tamaño correcto y de instalarla perfectamente alineada sobre el disco y el volante.
  13. Revise la cubierta de embrague. Asegúrese de que los pernos estén apretados. Reemplace la cubierta si está dañada.
  14. Verifique que los pernos de alineación de la cubierta estén bien emplazados antes de instalar la cubierta.
  15. Limpie la superficie el bloque del motor antes de instalar la cubierta de embrague. Las impurezas y el tizne pueden producir una alineación incorrecta.
  16. Si el disco de embrague y la tapa estuvieran cubiertos de aceite, verifique la junta principal trasera. Reemplace la junta si es necesario.
  17. Verifique la pestaña del cigüeñal (si de desmontó el volante). Procure que la pestaña esté limpia y las roscas de los pernos del volante estén en buen estado.
  18. Verifique el cojinete guía. Reemplácelo si está dañado. Este cojinete tiene lubricación de por vida. No añada más grasa.
  19. Verifique el eje impulsor de la transmisión. El disco debe deslizarse libremente por las estrías del eje. Engrase levemente las estrías antes de la instalación. Reemplace el eje si las estrías o la maza del cojinete guía están dañadas.
  20. Verifique la torsión de los pernos del volante. Si éstos están flojos, reemplácelos. Aplique sellante de Mopar, Mopar Lock N’Seal, para asegurar los pernos nuevos. Verifique el revestimiento del disco del embrague. Reemplace el disco si el revestimiento está carbonizado, rayado, descascarado o gastado. Asimismo, verifique el descentramiento del nuevo disco. Este no debe exceder de 0,5 mm (0,02 pulg.).

DESEMBRAGUE Y EMBRAGUE INCORRECTOS

Los problemas de desembrague y embrague se deben al desgaste o daño de uno o más componentes del embrague. En general, una inspección visual de los componentes del desembrague pondrá en evidencia la pieza defectuosa.

Los problemas de desembrague pueden provocar cambios duros y ruidos. Debe comprobarse si no existen: fugas en los cilindros y conductos interconectados del embrague; pernos del cilindro hidráulico flojos; desgaste u horquilla de desembrague y perno de pivote sueltos; daños en el cojinete de desembrague; y desgaste en el disco del embrague o la placa de presión.

La condensación normal en aquellos vehículos que estén guardados o fuera de servicio durante períodos prolongados pueden producir suficiente corrosión como para que el disco se pegue al volante o a la placa de presión. Si esto ocurre, para corregirlo sólo se requiere soltar el disco en forma manual a través de la abertura de la placa de inspección.

Los problemas de embrague en general producen un deslizamiento, vibración o temblor y ruidos. Las causas principales son la presencia de suciedad en el disco del embrague, el desgaste del disco, la alineación incorrecta o una distorsión, el volante dañado o una combinación de los fallos mencionados. Se requiere realizar una inspección visual para determinar la pieza que provoca concretamente el problema.

DESALINEACIÓN DEL EMBRAGUE

Los componentes del embrague deben estar correctamente alineados con el cigüeñal y el eje impulsor de la transmisión. La desalineación provocada por un excesivo descentramiento o deformación de cualquier componente de embrague producirá entorpecimiento o vibración del embrague y un desembrague inadecuado

DESALINEACIÓN DE LA CUBIERTA DE EMBRAGUE

La alineación de la cubierta de embrague es importante para el correcto funcionamiento del embrague. La cubierta mantiene la alineación entre el cigüeñal y el eje impulsor de la transmisión. La desalineación puede producir ruido en el embrague, cambios duros, desembrague incompleto y vibración. Asimismo, puede producir un desgaste prematuro del cojinete guía, de las garras de desembrague de la tapa y del disco de embrague. En casos graves, la desalineación puede también provocar un desgaste prematuro del eje impulsor de la transmisión y el cojinete delantero. En general, la desalineación de la cubierta es producto del asiento incorrecto en el motor o la transmisión, los pernos de la cubierta flojos, los pernos de alineación faltantes o la cubierta averiada. En algunas ocasiones poco frecuentes, la desalineación también puede producirse por las superficies de instalación de la cubierta que no estén completamente paralelas. Esto se puede corregir con espaciadores.

DESCENTRAMIENTO DEL VOLANTE DE EMBRAGUE

Verifique el descentramiento del volante de embrague siempre que sospeche una desalineación. El descentramiento del volante no debe exceder de 0,08 mm (0,003 pulg.). Mida el descentramiento en el borde externo de la cara del volante con un indicador de cuadrante. Instale el indicador en la cara trasera del bloque del motor.

Las causas comunes del descentramiento son:

  • Deformación por calor
  • Maquinado inadecuado
  • Torsión incorrecta de los pernos
  • Asiento inadecuado en el reborde de la pestaña del cigüeñal
  • Materias extrañas en la pestaña del cigüeñal

No se recomienda maquinar el volante. La superficie de embrague del volante está maquinada con un contorno único y el maquinado no cumplirá con esta característica. Sin embargo, si el volante posee rayas de poca importancia, podrá lijarse a mano con una tela esmeril de grano 180 o con herramientas para esmerilado de superficies. Elimine sólo el material suficiente como para reducir las rayas (aproximadamente 0,0003-0,00011 mm (0,001 - 0,003 pulg.)). No se recomienda una rectificación profunda. Reemplace el volante si las rayas son importantes y de una profundidad que supera los 0,076 mm (0,003 pulg.). Una eliminación excesiva de material puede hacer que el volante se cuartee e interfiera con el desembrague adecuado.

Limpie la pestaña del cigüeñal antes de instalar el volante. Las impurezas y la grasa en la superficie de

la pestaña pueden desalinear el volante provocando un exceso de descentramiento. Utilice pernos nuevos cuando vuelva a instalar un volante y asegúrelos con sellante de Mopar, Mopart Lock and Seal. Apriete los pernos del volante solamente con la torsión especificada. Si los aprieta en exceso, se puede deformar la maza del volante provocando un descentramiento.

DESCENTRAMIENTO DE LA TAPA Y EL DISCO DE EMBRAGUE

Verifique el disco del embrague antes de la instalación. El descentramiento axial (de la cara) de un disco nuevo no debe exceder de 0,50 mm (0,020 pulg.). Mida el descentramiento aproximadamente a 6 mm (1/4 pulg.) del borde externo del revestimiento del disco. Si el descentramiento es excesivo, cámbielo por otro disco.

Verifique el estado del disco antes de su instalación. Si la tapa o el muelle de diafragma están deformados se producirá brusquedad y el desembrague o embrague no será completo. La tapa y el disco debenmanipularse con cuidado. Los impactos pueden deformar la tapa, el muelle de diafragma, las garras de desembrague y la maza del disco del embrague.

Utilice una herramienta de alineamiento cuando coloque el disco en el volante. La herramienta evita que se produzca una desalineación accidental, que pudiera deformar la tapa y averiar el disco.

Una de las causas frecuentes de la deformación de la tapa de embrague (y como consecuencia la desalineación) es la torsión incorrecta de los pernos.

CUADROS DE DIAGNOSIS DEL EMBRAGUE

Los cuadros de diagnosis describen los problemas comunes del embrague, sus causas y la corrección. En la parte superior de cada cuadro se hace referencia a las condiciones de fallo. En las columnas indicadas se señalan las condiciones, las causas y la acción correctiva correspondiente.

Los cuadros son una referencia práctica para hacer la diagnosis del fallo en el funcionamiento del embrague.

CUADRO DE DIAGNOSIS

Esta es solo una pequeña lección de ejemplo, para adquirir el manual completo te recomendamos comprar el Manual de Reparaciones Dodge Ram 

CUBIERTA DEL EMBRAGUE NV4500

VERIFICACION DEL DESCENTRAMIENTO

La cubierta del embrague NV4500 sólo puede verificarse con los procedimientos de medición de descentramiento del hueco y la superficie que se describen a continuación. Las cubiertas de los embragues NV3500 y NV5600 están integradas a la transmisión y únicamente pueden verificarse fuera del vehículo.

MEDICIÓN DEL DESCENTRAMIENTO DEL HUECO DE LA CUBIERTA DE EMBRAGUE

  1. Retire la cubierta de embrague y el montante.
  2. Retire la cubierta y el disco de embrague.
  3. Reemplace uno de los pernos del volante por una varilla roscada del tamaño adecuado que tenga 25,4 cm (10 pulg.) de largo (Fig. 15). La varilla sirve para instalar el indicador de cuadrante.
  4. Retire la horquilla de desembrague de la cubierta de embrague.
  5. Vuelva a instalar la cubierta de embrague. Primero, apriete los pernos de la cubierta que estén más cercanos a los pernos de alineación.

  1. Haga girar el cigüeñal hasta que el vástago del indicador llegue al centro superior del hueco de la cubierta. Ponga en cero el indicador en este punto.
  2. Haga girar el cigüeñal y registre las lecturas del indicador en ocho puntos (con 45° de separación) alrededor del hueco (Fig. 16). Repita la medición por lo menos dos veces para tener precisión.
  3. Reste cada lectura de su opuesta a 180° para determinar la magnitud y dirección del descentramiento. Consulte la (Fig. 17) y el ejemplo siguiente.

Ejemplo de descentramiento del hueco:

0,000 – (–0,177) = 0,177 mm (0,000 – (–0,007) = 0,007 pulg.) +0,050 – (–0,254) = 0,304 mm (+0,002 – (–0,010) = 0,012 pulg.)
+0,101 – (–0,127) = 0,228 mm (+0,004 – (–0,005) = 0,009 pulg.) –0,025 – (+0,025) = –0,050 mm (= 0,050 mm) (–0,001 – (+0,001) = –0,002 pulg. (= 0,002 pulg.)

En este ejemplo, la diferencia máxima es de 0,304 mm (0,012 pulg.) y se llama Lectura total del indicador (TIR). Esto implica que el hueco de la cubierta tiene un descentramiento respecto de la línea central del cigüeñal de 0,152 mm (0,006 pulg.) (esto es la mitad de 0,304 mm ó 0,0012 pulg.). En los motores de gasolina, la TIR máxima aceptable para el descentramiento del hueco de la cubierta es de 0,254 mm (0,010 pulg.). Si la TIR medida es mayor que este valor (como en el ejemplo), deberá corregirse el descentramiento con pernos excéntricos. Para esta finalidad, se dispone de pernos excéntricos de 0,177, 0,355 y 0,533 mm (0,007, 0,014 y 0,021 pulg.) (Fig. 17). Para la instalación de los pernos, consulte Corrección del descentramiento del hueco de la cubierta.

En los motores diesel, la TIR máxima aceptable para el descentramiento del hueco de la cubierta es de 0,381 mm (0,015 pulg.). Sin embargo, a diferencia de los motores de gasolina, los pernos excéntricos no están disponibles para corregir el descentramiento en este motor. Si el descentramiento del hueco excede el máximo establecido para el motor diesel, es posible que se requiera el reemplazo de la cubierta de embrague o de la placa adaptadora de la transmisión.

Corrección del descentramiento del hueco de la cubierta de embrague — motor solamente

En los vehículos con motor de gasolina, puede corregirse el descentramiento con pernos excéntricos.

El indicador de cuadrante lee un valor positivo cuando el vástago se desplaza hacia adentro (hacia el indicador) y lee negativo cuando se desplaza hacia fuera (alejándose del indicador). Como resultado, la lectura menor o más negativa determina la dirección del desplazamiento del hueco de la cubierta (descentramiento).

En las lecturas de ejemplo que se muestran (Fig. 18) y en el paso 7 anterior, el hueco está desplazado hacia la lectura de 0,254 mm (0,010 pulg.). Para corregir esto, retire la cubierta y los pernos originales. Después, instale los nuevos pernos excéntricos en
la dirección requerida hacia el centro del hueco respecto de la línea central del cigüeñal.

En el ejemplo, la TIR fue de 0,304 mm (0,012 pulg.). Los pernos necesarios para hacer la corrección tendrán un desplazamiento de 0,177 mm (0,007 pulg.) (Fig. 18).

Instale los pernos con el lado de la muesca mirando hacia fuera para que puedan girarse con un destornillador. Instale la cubierta, vuelva a instalar el indicador de cuadrante y nuevamente verifique el descentramiento del hueco. Gire los pernos hasta que la TIR esté por debajo de 0,254 mm (0,010 pulg.), si fuese necesario.

Si se encuentra una TIR por encima de 1,346 mm (0,053 pulg.), será necesario reemplazar la cubierta de embrague.

Medición del descentramiento de la superficie de la cubierta de embrague

  1. Vuelva a emplazar el vástago del indicador de cuadrante en la superficie de la cubierta (Fig. 19). Ponga el vástago del indicador en el reborde del hueco de la cubierta, como se muestra.
  2. Haga girar el cigüeñal hasta que el vástago del indicador de cuadrante sobre el hueco esté en la posición de las 10 en punto. Ponga en cero el indicador.
  3. Mida y registe el descentramiento de la superficie en cuatro puntos con 90° de separación alrededor de la superficie de la cubierta (Fig. 20). Haga las mediciones por lo menos dos veces para tener precisión.
  4. Reste la lectura menor de la mayor para determinar el descentramiento total. Como ejemplo, consulte las lecturas de ejemplo que se muestran en la (Fig. 22). Si la lectura menor fue de menos 0,101 mm (0,004 pulg.). y la mayor fue de más 0,228 mm (0,009 pulg.), el descentramiento será de 0,330 mm (0,013 pulg.).
  5. l descentramiento total permitido para la superficie es de 0,254 mm (0,010 pulg.). Si el descentramiento excede esta cifra, deberá corregirse. Consulte Corrección del descentramiento de la superficie de la cubierta de embrague.

CORRECCIÓN DEL DESCENTRAMIENTO DE LA SUPERFICIE DE LA CUBIERTA DE EMBRAGUE

En los motores de gasolina o diesel, el descentramiento de la superficie puede corregirse instalando espaciadores entre la cubierta de embrague y la transmisión (Fig. 21). Los espaciadores pueden hacerse con material de calce o similares del espesor requerido.

Como ejemplo, suponga que el descentramiento de la superficie es igual al que se muestra en la (Fig. 22) y paso 4. En este caso, se requieren tres espaciadores. Los espesores de los espaciadores deben ser de 0,228 mm (0,009 pulg.) (en la esquina de 0,000),
0,304 mm (0,012 pulg.) (en la esquina de –0,076 mm ó –0,003 pulg.) y 0,330 mm (en la esquina de –0,101 mm ó –0,004 pulg.).

Después de instalar el conjunto de embrague y la cubierta, apriete primero los pernos de la cubierta que están más cerca de los pernos de alineación.

Las torsiones preferidas para los pernos de la cubierta de embrague son:

  • 41 N·m (30 lbs. pie) para pernos de 9 mm (3/8 pulg.) de diámetro
  • 68 N·m (50 lbs. pie) para pernos de 1 cm (7/16 pulg.) de diámetro
  • 47 N·m (35 lbs. pie) para los pernos de la cubierta de embrague de los motores V10 y diesel.

En la instalación final de la transmisión, instale los espaciadores entre la cubierta de embrague y la transmisión en las localizaciones adecuadas de los pernos.

PROCEDIMIENTOS DE SERVICIO

LUBRICACION DE LOS COMPONENTES DEL EMBRAGUE

La lubricación adecuada de los componentes del embrague es importante para un funcionamiento satisfactorio. El uso del lubricante correcto y no excederse en la lubricación son dos aspectos de igual importancia. Aplique el lubricante recomendado con
moderación para evitar que el disco y la placa de presión se ensucien.

Los componentes del embrague y la transmisión que requieren lubricación son:

  • Perno de rótula del pivote de palanca de desembrague.
  • Superficies de contacto de la palanca de desembrague.
  • Hueco del cojinete de desembrague.
  • Estrías de la maza del disco de embrague.
  • Hueco del eje de pivote del pedal de embrague.
  • Casquillos del pedal de embrague.
  • Acanaladuras del eje impulsor.
  • Maza de guía del eje impulsor.
  • Superficie de deslizamiento del cojinete delantero de la transmisión.

NOTA: Nunca aplique grasa en ninguna parte de la tapa o el disco de embrague.

LUBRICANTES RECOMENDADOS

Utilice grasa multipropósito de Mopart para engrasar los casquillos y el eje de pivote del pedal de embrague. Para todos los demás requisitos de lubricación, utilice grasa para altas temperaturas de Mopart (o equivalente). Aplique las cantidades recomendadas y no lubrique en exceso.

LIQUIDO HIDRAULICO DEL EMBRAGUE

Si una inspección o diagnosis indica la necesidad de agregar líquido, será necesario reemplazar el conjunto completo de la articulación hidráulica.

NIVEL DE LIQUIDO DE EMBRAGUE

El depósito de líquido de embrague, el cilindro maestro, el cilindro hidráulico y los tubos de líquido se llenan con líquido en la planta durante las operaciones de ensamblaje.

En circunstancias normales, el sistema hidráulico no requiere el agregado de líquido adicional. En realidad, el nivel del depósito de líquido aumenta a medida que se produce el desgaste normal del embrague. Evite llenar en exceso o extraer líquido del depósito.

El nivel de líquido de embrague se verifica en el depósito del cilindro maestro. En la parte externa del depósito hay un anillo indicador. Sin el tapón y el diafragma instalados, el nivel de líquido no debe superar el anillo indicador.

Para evitar que el líquido hidráulico se ensucie durante la inspección, limpie el depósito y la tapa antes de retirar el tapón.

VOLANTE

Revise el volante siempre que desmonte el disco, la tapa y la cubierta de embrague para la reparación. Verifique el estado de la cara del volante, la maza, los dientes de la corona y los pernos del volante.

Las rayas, rebabas y el vidriado sin importancia en la cara del volante pueden reducirse con tela de esmeril de grano 180. Sin embargo, el volante debe reemplazarse si la superficie de contacto con el disco está muy rayada, agrietada por el calor, cuarteada o evidentemente desgastada.

No se recomienda el maquinado del volante. La superficie del volante está fabricada con un contorno único que se perdería con el maquinado. Sin embargo, la rectificación de rayas menores en el volante puede llevarse a cabo manualmente con esmeril de grano 180 o con un equipo de esmerilado de superficies. Reemplace el volante, si las rayas superan una profundidad de 0,0762 mm (0,003 pulg.).

La eliminación de mucho material por esmerilado no se recomienda. La eliminación excesiva de material puede provocar una cuarteadura o deformación del volante después de la instalación. Además logrará que el volante se debilite e impida un desembrague adecuado.

Verifique el descentramiento del volante si sospecha que existe desalineación. El descentramiento no debe superar 0,08 mm (0,003 pulg.). Mida el descentramiento en el borde externo de la cara del volante con un indicador de cuadrante. Instale el indicador en el espárrago instalado en una de las localizaciones de los pernos de fijación de la cubierta de embrague.

Limpie la pestaña del cigüeñal antes de instalar el volante. Las impurezas y la grasa en la superficie de la pestaña pueden desalinear el volante provocando un exceso de descentramiento.

Verifique el estado de la maza del volante y los pernos de fijación. Reemplace el volante, si la maza muestra cuarteaduras en la zona de los orificios de los pernos de fijación.

Instale pernos de fijación nuevos siempre que reemplace el volante y utilice Sellante de Mopart, Mopart Lock N’ Seal, o Loctite 242 en las roscas de los pernos de recambio.

Inspeccione los dientes en la corona del motor de arranque. Si los dientes están desgastados o dañados, debe reemplazarse el volante como conjunto. Este es el método de reparación recomendado y preferido.

En los casos en los que no se pueda disponer inmediatamente de un volante nuevo, puede instalarse una corona de reemplazo. Sin embargo, deberán observarse las siguientes precauciones para evitar dañar el volante y la corona de recambio.

  1. Marque la posición de la corona usada para utilizar como referencia de alineación en el volante. Para esto, use un punzón de trajar.
  2. Utilice antiparras protectoras y gafas de seguridad aprobadas. También use guantes resistentes al calor cuando manipule una corona caliente.
  3. Retire la corona usada cortándola a través (en un punto) con una rueda de corte abrasiva. Finalice el desmontaje con un cortafrío o un punzón.
  4. La corona está embutida en caliente en el volante. Esto implica que para instalar la corona, ésta debe expandirse calentándola. El método de calentamiento y expansión de la corona es de suma importancia. Toda la superficie de la corona debe calentarse al mismo tiempo, para producir una expansión uniforme de la misma. Para ello, debe utilizarse un horno o dispositivo cerrado de calentamiento. La temperatura requerida para conseguir una expansión uniforme es de unos 190° C (375° F).

PRECAUCION: No emplee un soplete oxiacetilénico para desmontar la corona usada ni para calentar y expandir la corona nueva. La alta temperatura de la llama del soplete puede producir un calentamiento localizado que dañará el volante. Además, el uso del soplete para calentar una corona de recambio provocará un calentamiento y una expansión irregulares. La llama del soplete puede también templar los dientes de la corona y obtener como resultado un desgaste y daño prematuros después de la instalación.

  1. La corona caliente debe instalarse uniformemente para evitar la desalineación o deformación. Siempre que sea posible, debe emplearse una prensa de taller y placas de prensa adecuadas para instalar la corona.
  2. Procure protegerse los ojos y las manos. Se requiere el uso de guantes resistentes y antiparras de seguridad para la protección personal. También utilice tenazas de metal, mordazas de prensa o herramientas similares para emplazar la corona según se requiera en la instalación.
  3. Deje que el volante y la corona se enfríen antes de seguir con la instalación. Ponga el conjunto en un banco de trabajo y déjelo enfriar en el ambiente normal del taller.

PRECAUCION: No use agua ni aire comprimido para enfriar el volante. Un enfriamiento rápido producto de la acción del agua o el aire comprimido puede deformar o cuartear la corona y el volante.

Esta es solo una pequeña lección de ejemplo, para adquirir el manual completo te recomendamos comprar el Manual de Reparaciones Dodge Ram 

DESMONTAJE E INSTALACION TAPA Y DISCO DE EMBRAGUE

DESMONTAJE

  1. Eleve y apoye el vehículo.
  2. Apoye en motor sobre un bloque de madera y un gato fijo ajustable (Fig. 24). Es necesario apoyar el motor para no forzar indebidamente sus soportes.
  3. Retire la transmisión y la caja de cambios, si el vehículo está equipado. Para informarse sobre los procedimientos, consulte el grupo 21, Transmisión y caja de cambios.
  4. Si vuelve a usar la tapa de embrague, marque el emplazamiento de la tapa en el volante con pintura o un punzón de trajar (Fig. 25).
  5. Inserte la herramienta de alineación de embrague en el disco y dentro del casquillo guía. La herramienta mantiene el disco en su sitio cuando se retiran los pernos de la tapa.
  6. Si vuelve de usar la tapa de embrague, afloje los pernos de manera uniforme, sólo unas pocas roscas cada vez y en diagonal (Fig. 26). Esto alivia la tensión del muelle de la tapa para evitar que se deforme.
  7. Retire completamente los pernos de la tapa; retire la tapa, el disco y la herramienta de alineación.

INSTALACIÓN

  1. Verifique el descentramiento y el libre funcionamiento del nuevo disco de embrague.
  2. Inserte la herramienta de alineación en la maza del disco de embrague.
  3. Verifique que la maza del disco esté emplazada correctamente. El lado elevado de la maza se instala alejado del volante.
  4. Inserte la herramienta de alineación en el cojinete guía y emplace el disco en la superficie del volante (Fig. 27).
  5. Emplace la tapa de embrague sobre el disco y ambos sobre el volante (Fig. 27).
  6. Alinee y mantenga en su sitio la tapa de embrague; instale los pernos de la tapa y apriételos con la mano.
  7. Apriete los pernos de la tapa de manera uniforme, unas pocas roscas cada vez. Los pernos de la tapa deben apretarse así y con la torsión especificada, a fin de evitar que la tapa se deforme.
  8. Apriete los pernos de la tapa de embrague de la siguiente manera:
  • Pernos de 0,6 mm (5/16 pulg.) de diámetro con una torsión de 23 N·m (17 lbs. pie).
  • Pernos de 0,3 mm (3/8 pulg.) de diámetro con una torsión de 41 N·m (30 lbs. pie).
  1. Retire la palanca y el cojinete de desembrague de la cubierta de embrague. Aplique grasa de cojinete para alta temperatura de Mopart al hueco del cojinete de desembrague, las superficies de contacto de la palanca de desembrague y el espárrago de guía de la palanca (Fig. 28).
  2. Aplique una capa ligera de grasa de cojinete para alta temperatura de Mopart a las acanaladuras del eje impulsor de la transmisión (o engranaje propulsor) y a la superficie de deslizamiento del cojinete de desembrague situada del retén de cojinete delantero de la transmisión (Fig. 29). No lubrique en exceso las acanaladuras del eje. Esto podría ensuciar el disco.
  3. Instale la palanca y el cojinete de desembrague en la cubierta de embrague. Procure que las abrazaderas de muelle que retienen la horquilla en la bola de pivote y el cojinete de desembrague en la horquilla estén instaladas correctamente (Fig. 30). También, verifique que la palanca de desembrague esté instalada adecuadamente. Cuando ésta se encuentra correctamente instalada, el número de pieza mira hacia la parte inferior de la transmisión, colocada al derecho. La palanca tiene también una I estampada que va hacia el lado de la bola de pivote de la transmisión.
  4. Instale la transmisión. Para informarse sobre los procedimientos, consulte el grupo 21, Transmisión y caja de cambios.
  5. Verifique el nivel de líquido en el cilindro maestro del embrague.

CUBIERTA DE EMBRAGUE—NV4500

DESMONTAJE

  1. Eleve y apoye el vehículo.
  2. Retire la transmisión y la caja de cambios, si está instalada. Para informarse sobre los procedimientos, consulte el grupo 21, transmisión y caja de cambios.
  3. Retire el motor de arranque de la cubierta de embrague.
  4. Retire el protector contra polvo de la cubierta de embrague.
  5. Retire los pernos de la cubierta de embrague; retire la cubierta de embrague del motor (Fig. 31) y (Fig. 32).

INSTALACIÓN

  1. Limpie la superficie de instalación de la cubierta en el bloque del motor con removedor de cera y grasa.
  2. Verifique que los pernos de alineación de la cubierta de embrague estén en buen estado y adecuadamente asentados.
  3. Transfiera el cilindro hidráulico, la horquilla de desembrague y la cubierta, el espárrago de pivote de la horquilla y las abrazaderas de cables y mangueras a la cubierta nueva.
  4. Lubrique las superficies de contacto de la horquilla de desembrague y el pivote con grasa para cojinete de rueda de alta temperatura de Mopart antes de la instalación.
  5. Alinee e instale la cubierta de embrague en la transmisión (Fig. 32). Primero, apriete los pernos de la cubierta que están más cercanos a los pernos de alineación y con los siguientes valores de torsión:
  • Pernos A de 6 mm (4 pulg.) de diámetro se aprietan con una torsión de 4,5 N·m (40 lbs. pulg.).
  • Pernos A de 9 mm (3/8 pulg.) de diámetro se aprietan con una torsión de 47,5 N·m (35 lbs. pie).
  • Pernos A de 1 cm (7/16 pulg.) de diámetro se aprietan con una torsión de 68 N·m (50 lbs. pie).
  • Pernos B para las aplicaciones en los motores 5.2L y 5.9L se aprietan con una torsión de 41 N·m (30 lbs. pie).
  • Pernos B para las aplicaciones en los motores 5.9L TD y 8.0L se aprietan con una torsión de 47,5 N·m (35 lbs. pie).
  • Pernos C para las aplicaciones en los motores 5.2L y 5.9L se aprietan con una torsión de 68 N·m (50 lbs. pie).
  • Pernos C para las aplicaciones en el motor 5.9L TD se aprietan con una torsión de 47,5 N·m (35 lbs. pie).
  • Pernos C para las aplicaciones del motor 8.0L se aprietan con una torsión de 74,5 N·m (55 lbs. pie).
  1. Instale el montante de la transmisión al motor después de instalar la cubierta de embrague. Primero, apriete el perno que sujeta el montante a la cubierta de embrague y por último el perno al motor.
  2. Instale el motor de arranque en la cubierta de embrague.
  3. Instale el protector contra polvo en la cubierta de embrague.
  4. Instale la transmisión y caja de cambios, si el vehículo está equipado. Para informarse sobre los procedimientos, consulte el grupo 21, Transmisión y caja de cambios.

ARTICULACION DE EMBRAGUE

La articulación hidráulica instalada en fábrica posee un racor de desconexión rápida situado en el cilindro hidráulico. Esta conexión no debe desconectarse ni golpearse. La articulación hidráulica se repara como conjunto solamente, pero viene en dos piezas para facilitar la instalación. Una vez que se conectó el tubo hidráulico del embrague al cilindro hidráulico, no debe desconectarse. Los componentes individuales que forman parte del conjunto de la articulación no pueden repararse ni recibir servicio por separado.

DESMONTAJE

  1. Eleve y apoye el vehículo.
  2. Retire las tuercas que fijan el cilindro hidráulico a los espárragos en la cubierta de embrague (Fig. 33).
  3. Retire el cilindro hidráulico de la cubierta de embrague.
  4. Retire el collarín de plástico que sujeta el tubo hidráulico al reborde inferior del salpicadero.
  5. Retire del espárrago superior del salpicadero el collarín de plástico que asegura el tubo hidráulico al salpicadero.
  6. Baje el vehículo.
  7. Desconecte los cables del conmutador de interbloqueo del pedal de embrague.
  8. Retire el collarín de retención (Fig. 34).
  9. Deslice y extraiga el vástago de pistón del cilindro maestro de embrague del pasador del pedal.
  10. Inspeccione el estado del casquillo en el vástago de pistón del cilindro maestro de embrague (Fig. 34). Reemplace la articulación hidráulica de embrague, si el casquillo está desgastado o averiado.
  11. Verifique que el tapón en el depósito del cilindro maestro de embrague esté apretado. Esto evita las salpicaduras en el desmontaje.
  12. Retire las tuercas que sostienen el cilindro maestro de embrague en el salpicadero.
  13. Retire los tornillos que sujetan el depósito de líquido de embrague al salpicadero.
  14. Retire el cilindro maestro de embrague del salpicadero.
  15. Retire los cilindros, el depósito y los tubos de conexión de embrague del vehículo.

INSTALACIÓN

  1. Apriete el tapón del depósito de líquido de embrague para evitar un derrame durante la instalación.
  2. Emplace los cilindros, los tubos de conexión y el depósito en el compartimiento del motor del vehículo. Sitúe el tubo hidráulico de embrague contra el salpicadero y detrás de todas las mangueras y el cableado del motor.
  3. Inserte el cilindro maestro del embrague en el salpicadero. Instale y apriete las tuercas que sostienen el cilindro maestro de embrague en el salpicadero.
  4. Aplique una capa ligera de grasa en el diámetro interior y exterior del casquillo del cilindro maestro.
  5. Instale el vástago de pistón del cilindro maestro de embrague en el pasador del pedal de embrague. Asegure el vástago con un collarín de retención.
  6. Conecte los cables del conmutador de posición del pedal de embrague (interbloqueo).
  7. Emplace el depósito de líquido de embrague en el salpicadero e instale los tornillos del depósito. Apriételos con una torsión de 5 N·m (40 lbs. pulg.).
  8. Instale el collarín de plástico que asegura el tubo hidráulico al salpicadero en el reborde inferior del salpicadero.
  9. Instale el collarín de plástico que asegura el tubo hidráulico al salpicadero, en el espárrago superior del salpicadero.
  10. Eleve el vehículo.
  11. Instale el cilindro hidráulico. Procure que el tapón en el extremo del vástago del cilindro se asiente en la palanca de desembrague. Verifique lo anterior antes de instalar las tuercas de fijación del cilindro.

NOTA: Si instala una articulación nueva, no retire el fleje plástico de envío del vástago de pistón del cilindro hidráulico. En la priimera aplicación de embrague, el fleje se romperá solo.

  1. Instale y apriete las tuercas de fijación del cilindro hidráulico con una torsión de 23 N·m (200 lbs. pulg.).
  2. Si instala una articulación nueva, conecte el tubo hidráulico de embrague (Fig. 35) en el cilindro hidráulico.
  3. Baje el vehículo.
  4. Accione varias veces la articulación para verificar que funcione adecuadamente.

COJINETE DE DESEMBRAGUE

DESMONTAJE

  1. Retire la transmisión y caja de cambios, si el vehículo está equipado. Para informarse sobre los procedimientos, consulte el grupo 21, Transmisión y caja de cambios.
  2. Retire la cubierta de embrague para los vehículos que están equipados con transmisión NV4500.
  3. Desconecte el cojinete de desembrague de la horquilla de desembrague; retire el cojinete (Fig. 36).

INSTALACIÓN

  1. Inspeccione la superficie de deslizamiento del cojinete en el retén de cojinete delantero de la transmisión. Reemplace el retén si la superficie está rayada, desgastada o cuarteada.
  2. Inspeccione la palanca de desembrague y el espárrago de pivote. Procure que el espárrago esté seguro y en buenas condiciones. Asegúrese de que la horquilla no esté deformada ni desgastada. Reemplace las abrazaderas de muelle de la horquilla, si están dobladas o dañadas.
  3. Lubrique las acanaladuras del eje impulsor, la superficie de deslizamiento del retén de cojinete, el perno de rótula del pivote de la palanca y la superficie de pivote de la palanca de desembrague con grasa para cojinete de alta temperatura de Mopart.
  4. Instale la horquilla y el cojinete de desembrague (Fig. 37). Procure asegurarlos con abrazaderas de muelle. También, asegúrese de que la horquilla de desembrague quede correctamente instalada. El lado trasero de la palanca de desembrague tiene un extremo con una zona de resalto. Este resalto está orientado hacia el lado del cilindro hidráulico de la transmisión.
  5. Instale la cubierta de embrague, si la retiró.
  6. Instale la transmisión y la caja de cambios, si el vehículo está equipado. Para informarse sobre los procedimientos, consulte el grupo 21, Transmisión y caja de cambios.

Esta es solo una pequeña lección de ejemplo, para adquirir el manual completo te recomendamos comprar el Manual de Reparaciones Dodge Ram 

COJINETE GUIA

DESMONTAJE

  1. Retire la transmisión, la caja de cambios, si el vehículo está equipado, y la cubierta de embrague. Para informarse sobre los procedimientos, consulte el grupo 21, Transmisión y caja de cambios.
  2. Retire la tapa y el disco del embrague.
  3. Con un extractor de orificio ciego adecuado, retire el cojinete guía.

INSTALACIÓN

  1. Limpie el hueco del cojinete con solvente y seque con un paño de taller.
  2. Instale el cojinete nuevo con una herramienta de alineación (Fig. 38). Mantenga el cojinete recto durante la instalación. No permita que el cojinete se desalinee. Martille suavemente el cojinete en su sitio hasta que quede al ras con el borde del hueco. No retroceda el cojinete.
  3. Instale la tapa y el disco de embrague.
  4. Instale la cubierta de embrague, la transmisión y la caja de cambios, si el vehículo está equipado. Para informarse sobre los procedimientos, consulte el grupo 21, Transmisión y caja de cambios.

PEDAL DEL EMBRAGUE

DESMONTAJE

  1. Retire los collarines de retención que sujetan los pedales de freno y embrague a los vástagos de pistón (Fig. 39).
  2. Retire de los pedales los vástagos de pistón de los cilindros maestros de freno y embrague.
  3. Retire el protector de rodilla (Fig. 40) para acceder al eje de pivote del pedal.
  4. Retire el conmutador de luz de freno.
  5. Retire el retén del eje de pivote del pedal del lado del acompañante (Fig. 41).
  6. Empuje el eje de pivote del pedal hacia el soporte del lado del conductor, sólo lo suficiente como para desmontar el pedal de embrague. No es necesario desmontar por completo el eje del soporte de pedal.
  7. Retire el pedal de embrague.

INSTALACIÓN

  1. Revise los casquillos en los pedales de embrague y freno (Fig. 41). Reemplácelos si están desgastados, cuarteados o deformados.
  2. Lubrique el eje y el hueco del eje del pedal (Fig. 41) y todos los casquillos con Mopart Multi Mileage o grasa para cojinete de alta temperatura.
  3. Reemplace el pedal de embrague en el soporte. Alinee el pedal en el eje de pivote y deslice el eje por los casquillos del pedal. Después, repita el proceso para el pedal de freno.
  4. Deslice el eje del pedal por el soporte e instale el retén de eje.
  5. Asegure los vástagos de pistón a los pedales de embrague y freno.
  6. Instale el conmutador de luz de freno en el soporte.
  7. Instale el protector de rodilla.

ESPECIFICACIONES

TORSIÓN

DESCRIPCIÓN

TORSIÓN
Tuerca de cilindro hidráulico 19-26 N·m (170-230 lbs. pulg.)
Perno de tapa de embrague—8 mm (5/16 pulg.) 23 N·m (17 lbs. pie)
Perno de tapa de embrague— 9 mm (3/8 pulg.) 41 N·m (30 lbs. pie)
Pivote de cojinete de desembrague 23 N·m (17 lbs. pie)
Tornillo del depósito de líquido 5 N·m (40 lbs. pulg.)
   

 


Esta es solo una pequeña lección de ejemplo, para adquirir el manual completo te recomendamos comprar el Manual de Reparaciones Dodge Ram